Analog Devices Inc. ADRF5050-EVALZ Evaluation Board
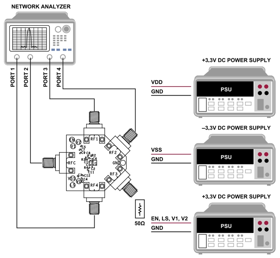
Analog Devices ADRF5050-EVALZ Evaluation Board is designed to evaluate the features and performance of the ADRF5050. The ADRF5050 is a nonreflective, SP4T switch manufactured using a silicon on an insulator (SOI) process. The Analog Devices ADRF5050-EVALZ allows for easy connection to test equipment and includes an additional through-line for calibration.Features
- Full-featured evaluation board for the ADRF5050
- Easy connection to test equipment
- Additional through line for calibration
Applications
- Test instrumentation
- Military radios, radars, and electronic countermeasures (ECMs)
- Microwave radios and very small aperture terminals (VSATs)
Required Equipment
- DC power supplies
- Network analyzer
Additional Resources
Test Setup
Board Layout
Đã phát hành: 2025-09-15
| Đã cập nhật: 2025-10-01
