Analog Devices Inc. EVAL-AD5770RSDZ Evaluation Board
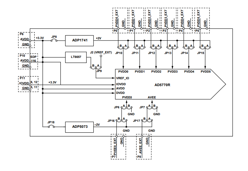
Analog Devices Inc. EVAL-AD5770RSDZ Evaluation Board is designed to evaluate the AD5770R 6-channel, 14-bit, current output digital-to-analog converter (DAC). The EVAL-AD5770RSDZ is a fully-featured evaluation board controlled by the onboard P11 connector and the EVAL-SDP-CB1Z (P10 connector). The SDP-B system development board uses the AD5770R evaluation software to control the EVAL-AD5770RSDZ evaluation board via a Windows® PC USB port.The EVAL-AD5770RSDZ Board implements a power solution that uses the ADP5073 switching regulator to generate -2V from a +3.3V supply and the ADP1741 linear regulator to generate +2V from a +3.3V supply. Alternatively, the AD5770R also uses a linear power supply connected through the nine onboard connectors (P0 to P8). The AD5770R includes an internal 1.25V precision reference. The EVAL-AD5770RSDZ Board contains an additional 1.25V, 0.5ppm/°C voltage reference.
The AD5770R Evaluation Software allows an intuitive graphic user interface (GUI) that configures and controls the AD5770R over the serial peripheral interface (SPI).
Features
- Fully featured evaluation board for the AD5770R
- PC software for control
- PC control in conjunction with Analog Devices® Inc., EVALSDP-CB1Z system development platform
Kit Contents
- EVAL-AD5770RSDZ evaluation board
- USB cable
Required Equipment
- EVAL-SDP-CB1Z (SDP-B) board (purchased separately)
- PC running Windows 7 or Windows 10
Evaluation Software
Block Diagram
Đã phát hành: 2019-09-30
| Đã cập nhật: 2024-03-11
