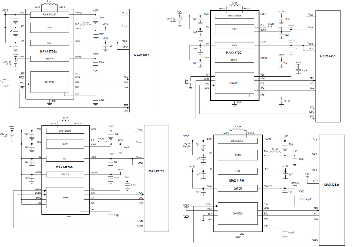
Analog Devices / Maxim Integrated MAX14720 & MAX14750 Power Management Solutions
Analog Devices MAX14720 and MAX14750 Power Management Solutions integrate a power switch, a linear regulator, a buck regulator, and a buck-boost regulator. The Analog Devices MAX14720 and MAX14750 are ideal for space-constrained, battery-powered applications where size and efficiency are critical. The MAX14720 is designed to be the primary power management device. The MAX14720 is ideal for either non-rechargeable battery (coin-cell, dual alkaline) applications or rechargeable solutions. The MAX14750 works well as a companion to a charger or PMIC in rechargeable applications. The MAX14750 provides direct pin control of each function and allows greater flexibility for controlling sequencing.The Analog Devices MAX14720 and MAX14750 Power-Management Solutions are available in a 25-bump, 0.4mm pitch, 2.26mm x 2.14mm wafer-level package (WLP) and operate over the -40°C to +85°C extended temperature range.
Features
- Extended System Battery Use Time
- Micro-IQ 250mW Buck-Boost Regulator
- Input Voltage from 1.8V to 5.5V
- Output Voltage Programmable from 2.5V to 5V
- 1.1µA Quiescent Current
- Programmable Current Limit
- Micro-IQ 200mA Buck Regulator
- Input Voltage from 1.8V to 5.5V
- Output Voltage Programmable from 1.0V to 2.0V
- 0.9µA Quiescent Current
- Micro-IQ 100mA LDO
- Input Voltage From 1.71V to 5.5V
- Output Programmable From 0.9V to 4.0V
- 0. 9µA Quiescent Current
- Configurable as Load Switch
- Micro-IQ 250mW Buck-Boost Regulator
- Extended Product Shelf-Life
- Battery Seal Mode (MAX14720)
- 120nA Battery Current
- Power Switch On-Resistance
- 250mΩ (max) at 2.7V
- 500mΩ (max) at 1.8V
- Battery Impedance Detector
- Battery Seal Mode (MAX14720)
- Easy-to-Implement System Control
- Configurable Power Mode and Reset Behavior (MAX14720)
- Push-Button Monitoring to Enable Ultra-Low Power Shipping Mode
- Disconnects All Loads From Battery and Reduces Leakage to Less than 1µA
- Power-On Reset (POR) Delay and Voltage Sequencing
- Individual Enable Pins (MAX14750)
- Voltage Monitor Multiplexer
- I2C Control Interface
- Configurable Power Mode and Reset Behavior (MAX14720)
- Physical characteristics
- -40°C to +85°C operating temperature range
- 2.26mm x 2.14mm WLP-25 package; 0.4mm pitch
Applications
- Portable Medical Devices
- Wearable Fitness Devices
- Wearable Medical Devices
Application Notes
Typical Application Circuit Diagram
Đã phát hành: 2016-10-13
| Đã cập nhật: 2025-01-28
