Analog Devices Inc. MAX20048 H-Bridge Buck-Boost Controller
Analog Devices Inc. MAX20048 H-Bridge Buck-Boost Controller is a current-mode buck-boost controller. The device operates with input voltages from 4.5V to 36V while using only 55µA quiescent current at no load. Once the start-up conditions are satisfied, the device can operate over an extended input voltage range of 2V to 36V. The switching frequency is resistor programmable from 220kHz to 2.2MHz and can be synchronized to an external clock. The device output voltage is available as 5V fixed or adjustable from 4V to 25V. The wide input voltage range, along with its ability to maintain constant output voltage during battery transients, makes the device ideal for automotive applications. In light load applications, a logic input (FSYNC) allows the devices to operate either in skip mode for reduced current consumption, or fixed-frequency, forced-PWM mode to eliminate frequency variation, and help minimize EMI. Protection features include cycle-by-cycle current limit and thermal shutdown with automatic recovery. The MAX20048 is available in a small 4mm x 4mm 24-pin TQFN-EP SW package.Features
- Meets stringent automotive quality and reliability requirements
- Operating VIN range of 2V to 36V allows operation in cold-crank conditions
- Tolerates input transients to 40V
- EN pin-compatible from +3.3V to +40V
- -40°C to +125°C automotive temperature range
- AEC-Q100 qualified
- An efficient solution in a small solution size
- Skip mode for efficient low-power operation
- Fixed 5V output voltage and adjustable 4V to 25V
- High switching frequency allows the use of small external components
- Small 4mm x 4mm 24-pin SW TQFN package
- Low quiescent current helps designers meet stringent OEM current requirements
- 55µA quiescent current when in standby mode
- 10µA (maximum) quiescent current in shutdown
- EMI mitigation to meet CISPR25 Class 5 requirements
- 220kHz to 2.2MHz operating frequency
- Fixed-frequency PWM mode
- External frequency synchronization or SYNC OUT capability (selectable by OTP option)
- Spread spectrum can be enabled or disabled for the IC by the OTP option
Applications
- Instrument clusters
- Point of load power supplies
- Remote displays
- Start-stop systems
- USB power
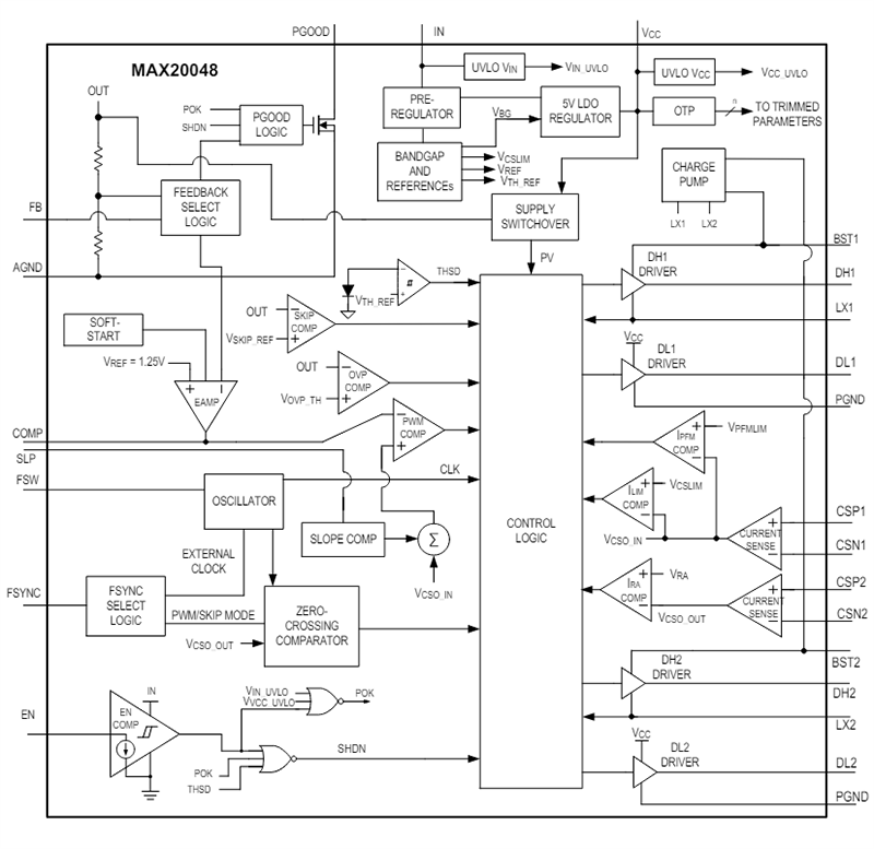
Functional Block Diagram
Typical Application Circuit
Recommended PCB Layout
Đã phát hành: 2020-04-22
| Đã cập nhật: 2024-05-14
