ATOP 100 Gigabit per Second Transceivers
ATOP Technologies 100 Gigabit per Second Transceivers are designed as a four-channel, pluggable, parallel QSFP28 transceiver for 100Gbps fiber-communication. The APQP2SRA3CDM01 has an operating wavelength of 850nm, and each channel can operate at 25Gbps up to 100m on OM4 fiber. The ATOP 100 Gigabit per Second Transceivers are ideal for 100GBASE-LR4 and 100G Ethernet applications.Features
- APQP2LRA3CDL10
- 4 LAN-WDM lanes MUX/DEMUX design
- 4 independent full-duplex channels up
- To 25Gbps data rate per wavelength
- Hot-pluggable QSFP28 footprint
- RoHS compliant and Lead Free
- Up to 10Km link length
- Power dissipation <4.5W (0~70°C)
- Commercial operating temperature optional
- APQP2SRA3CDM01
- 4 channels full-duplex transceiver modules
- 4x25Gb/s 850nm VCSEL-based transmitter
- 4x25Gb/s electrical interface
- Power dissipation <3.0W
- Hot-pluggable QSFP28 form factor
- Single MPO connector receptacle
- Maximum link length of 70m on OM3 or 100m on OM4 multimode fiber (MMF)
- Operating case temperature 0°C to +70°C
- 3.3V power supply voltage
- MPO polarity – Type B
Applications
- 100GBASE-LR4
- 100G Ethernet
Additional Resources
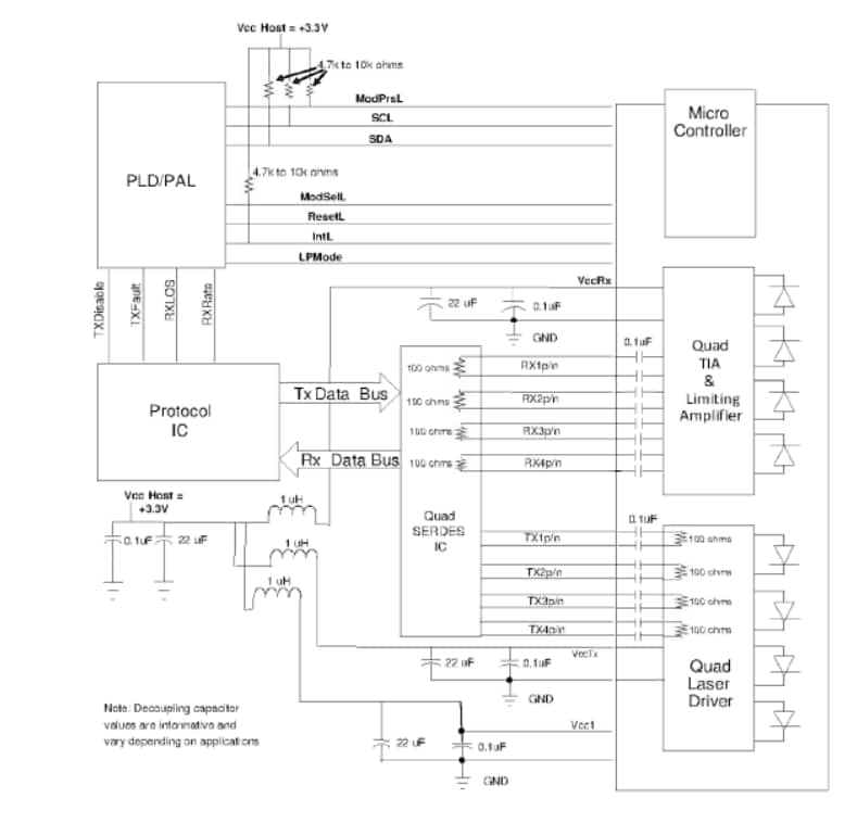
Block Diagram
Đã phát hành: 2021-03-30
| Đã cập nhật: 2022-03-11
