Diodes Incorporated ZXMS81045SP IntelliFET® High-Side Power Switch
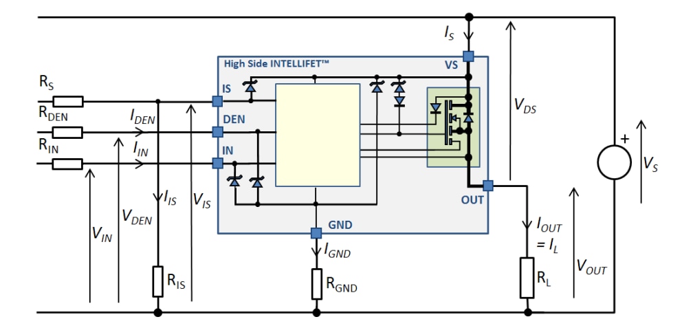
Diodes Incorporated ZXMS81045SP IntelliFET® High-Side Power Switch combines protective and diagnostic functions in a SO-8EP (Type E) exposed heatsink package. The ZXMS81045SP offers a monolithic N-channel vertical power MOSFET with integrated temperature and current sensors with a charge-pumped gate supply. It has a low quiescent current in the OFF state. The switch is enabled by active high 3.3V and 5V logic level drive to the inputs.The Diodes Inc ZXMS81045SP features a diagnostic current-sense output proportional to load current and a defined diagnostic fault signal in case of overload operation, overtemperature, short-circuit, or open load conditions.
Features
- Protection functions
- Reverse battery protection using external components
- Voltage-dependent current limiting
- Overtemperature protection with auto-restart
- Overvoltage protection, including load dump
- Stable undervoltage protection
- ESD protection
- Loss of ground protection with external components
- Enhanced short-circuit protection
- Defined fault signal in case of overload operation, overtemperature, or short-circuit
- Diagnostic functions
- Proportional load current-sense output
- Linear voltage drop regulation to maintain sense accuracy even at very low load currents
- Enabled by a logic input
- Defined temperature and current dependency
- Open-load detection
- Using load current-sense in ON state
- Using output voltage detection in the OFF state
- Proportional load current-sense output
Applications
- High-side switching with diagnostic feedback for:
- 12V grounded loads
- Resistive, inductive, and capacitive loads
- Suitable for high inrush current loads
- Incandescent lamps (P27W/P21W), motors, etc.
- Compact low-power replacement for:
- Relays, fuses, and discrete circuits
Specifications
- 5V to 28V operating voltage
- 41V maximum supply voltage
- 90mΩ maximum ON resistance, Tj = +150°C
- 4A nominal load current
- 1200 typical current sense ratio
- 25A minimum current limitation
- 0.5µA maximum standby current, Tj = +25°C
Typical Application Circuit
Functional Block Diagram
Đã phát hành: 2023-03-29
| Đã cập nhật: 2023-03-31
