Lattice Semiconductor CrossLink-NX™ FPGAs
Lattice Semiconductor CrossLink-NX™ FPGAs are built on the 28nm FD-SOI Lattice Nexus platform. The CrossLink-NX FPGAs from Lattice feature a small form factor, reliability, and performance. The devices are ideal for various applications, including embedded vision. Applications include sensor and display bridging, sensor aggregation, sensor duplication, and AI inferencing at the Edge.Features
- Up to 75% lower power versus competition
- Programmable back bias enabled by FD-SOI allows power and performance optimization
- 10x smaller than the competition
- Has the smallest package in each density, ranging from 16mm2 to 100mm2
- Offers multiple package options for compact system design
- Highly reliable
- Insulated gate of FD-SOI technology has a smaller area susceptible to particle-induced soft errors leading to 100x better soft error rate (SER)
- High performance
- 2.5Gbps MIPI D-PHY, 5Gbps PCIe, 1.5Gbps differential I/O provide the most capacity for bridging high-speed interfaces for a wide range of applications
- Ultra-fast I/O configuration (3ms)
- Full device configuration (8ms to 14ms)
- Most embedded memory per LC (170bits/LC) accelerates AI processing
Videos
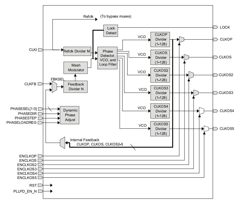
General Purpose PLL Diagram
Đã phát hành: 2020-03-17
| Đã cập nhật: 2025-07-01
