Luminus Devices CBM-25X-UV Ultraviolet Chip On Board LEDs

Luminus Devices CBM-25X-UV Ultraviolet Chip On Board LEDs are based on the latest chip technology that enables ultra-high power density operation up to 4A/mm2. These LEDs feature Mosaic array UV LEDs chipset with a 2.4mm2 emitting area and 2.1:1 aspect ratio. The CBM-25X-UV LEDs are specified for flux and peak wavelength at a drive current of 1A with a 20ms pulse at 25°C. These ultraviolet LEDs are suitable for 3D printing and additive manufacturing, medical and scientific instrumentation, machine vision, and fiber-coupled illumination.

Features

  • Mosaic Array UV LEDs chipset with 2.4mm2 emitting area and 2.1:1 aspect ratio
  • The latest chip technology enables ultra-high power density operation up to 4A/mm2
  • High thermal conductivity isolated copper core board package
  • The low-profile window for efficient coupling into small-etendue systems
  • Environmentally friendly:
    • REACH, RoHS, and Halogen compliant

Applications

  • 3D printing and additive manufacturing
  • Machine vision
  • Fiber-coupled illumination
  • Medical and scientific instrumentation

Typical Spectrum

Performance Graph - Luminus Devices CBM-25X-UV Ultraviolet Chip On Board LEDs

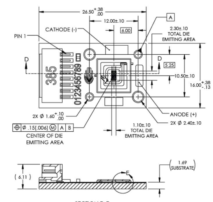
Mechanical Drawing

Mechanical Drawing - Luminus Devices CBM-25X-UV Ultraviolet Chip On Board LEDs
Đã phát hành: 2022-06-16 | Đã cập nhật: 2022-06-27