Monolithic Power Systems (MPS) MP24881 Step-Down LED Driver
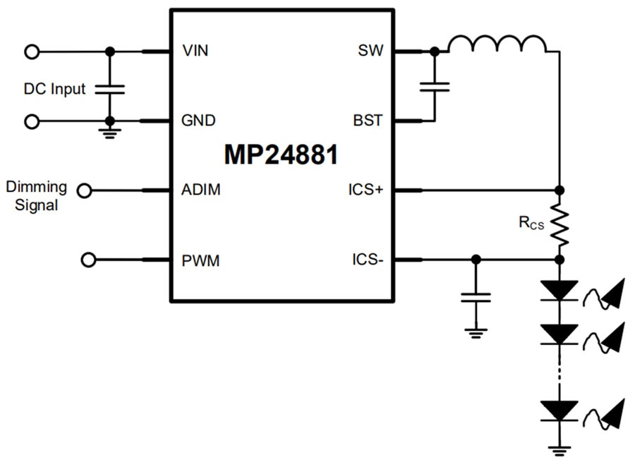
Monolithic Power Systems (MPS) MP24881 Step-Down LED Driver is a 60V, monolithic, synchronous step-down LED driver with an integrated N-channel MOSFET and rectifier. It delivers up to 1.1A of continuous LED current (ILED) to high-power LEDs. The wide 10V to 60V input voltage (VIN) range accommodates a variety of step-down lighting applications. Hysteretic current mode minimizes the loop compensation design and achieves fast transient response, which makes the 25kHz pulse-width modulation (PWM) dimming frequency possible.The Monolithic Power Systems (MPS) MP24881 supports analog dimming with a PWM or analog signal input, which helps remove the flicker caused by the PWM frequency (fPWM). The separated PWM and analog dimming input port enables all PWM signal-controlled hybrid dimming. The hybrid dimming depth can reach as low as 0.1%. Full protections include current-sense (CS) short protection, low-side (LS) reverse over-current protection (OCP), high-side (HS) OCP, and thermal shutdown. The MP24881 is available in an SOIC-8EP package.
Features
- Wide 10V to 60V operating input voltage (VIN) range
- Up to 1.1A of LED current (ILED)
- Synchronous step-down converter
- Internal 100mΩ high-side MOSFET (HS-FET)
- Internal 110mΩ synchronous rectifier (SR)
- Hysteretic control
- Excellent Pulse-Width Modulation (PWM) dimming performance
- Up to 25kHz PWM dimming frequency
- 20000:1 wide dimming range
- Up to 2MHz switching frequency (fSW)
- 100mV reference voltage (VREF)
- LED common cathode connection
- Down to 0.1% dimming depth
- All PWM signal-controlled hybrid dimming
- High-side (HS) Over-Current Protection (OCP)
- Current-Sense (CS) short protection
- Low-side (LS) reverse OCP
- Thermal shutdown
- Available in an SOIC-8EP package
Applications
- Landscape lighting
- General LED lighting
Typical Application
Đã phát hành: 2025-07-14
| Đã cập nhật: 2025-07-21
