NXP Semiconductors TJA144x Automotive CAN FD Transceivers
NXP Semiconductors TJA144x Automotive CAN FD Transceivers provide an interface between a controller area network (CAN) or CAN flexible data rate (FD) protocol controller and the physical two-wire CAN-bus. The NXP TJA144x variants include the TJA1441 (Basic CAN), TJA1442 (Standby mode CAN), TJA1443 (Sleep mode CAN), and TJA1448 (Dual channel standby mode CAN). All variants enable reliable communication in the CAN FD fast phase at data rates up to 5Mbit/s.The TJA144x is designed as a simple replacement for high-speed classical CAN and CAN FD transceivers. The devices offer pin compatibility and are intended to avoid changes to hardware and software design. These features allow the TJA144x to be easily retrofitted to existing applications.
The NXP TJA144x Automotive CAN FD Transceivers are AEC-Q100 Grade 0 qualified and are available for high-temperature applications, supporting operation at 150°C ambient temperature.
Features
- HS CAN and CAN FD up to 5Mbit/s
- Compliant to ISO 11898-2:2016, SAE J2284-1 to -5 and SAE J1939-14
- Fully interoperable with high-speed classical CAN and CAN FD transceivers
- VeLIO compliant
- AEC-Q100 Grade-1 (Tambient = 125˚C) qualified
- AEC-Q100 Grade-0 (Tambient = 150˚C) available (TJR144x)
- Excellent ESD robustness of ±8kV at HBM according to IEC 61000-4-2
- Available in SO and HVSON package
- Robust design with self-diagnostics
- Gap-free predictable and fail-safe behavior over full range of product limiting values
- Overtemperature protection
- Designed for 20PPB
- Dark green product (RoHS compliant)
- Pin-to-pin and software compatible with NXP’s older generation HS CAN products
Applications
- Body and comfort
- Connectivity
- Infotainment and IVE
- Powertrain and vehicle dynamics
- Vehicle networking
- Industrial
TJR1441 Block Diagram
TJR1442 Block Diagram
TJR1443 Block Diagram
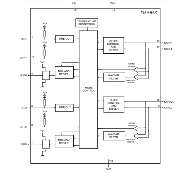
TJR1448 Block Diagram
Đã phát hành: 2021-02-10
| Đã cập nhật: 2024-09-09
