Renesas Electronics ISL78083 Automotive Camera Power Management IC
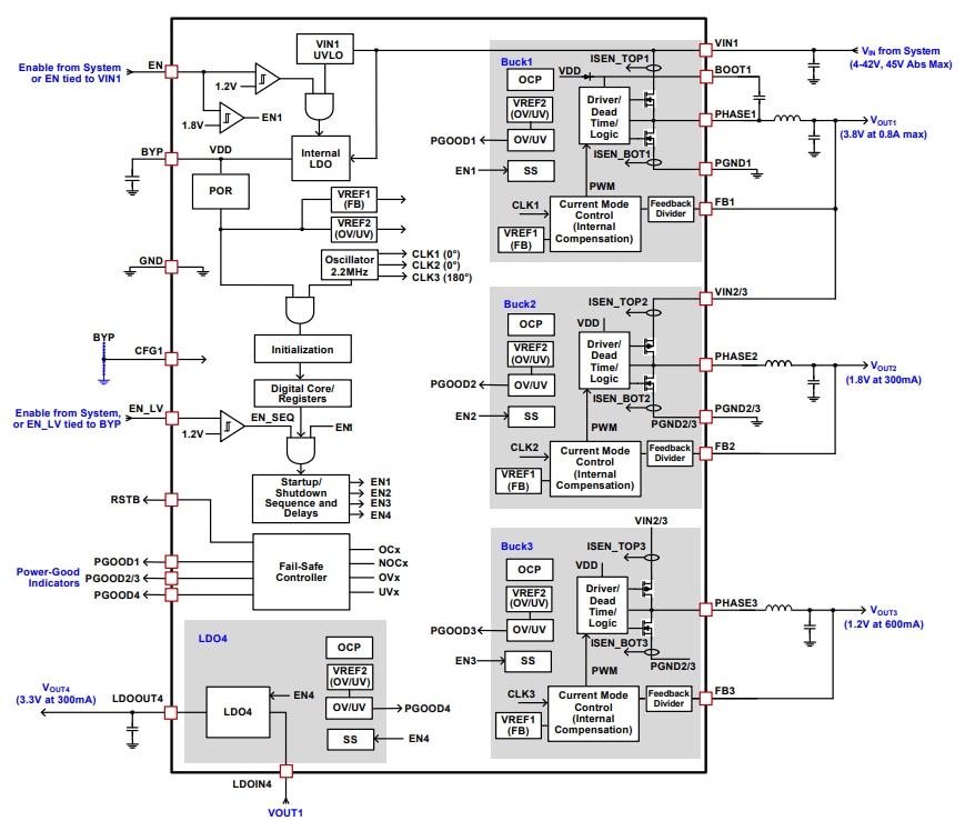
Renesas Electronics ISL78083 Automotive Camera Power Management IC is a versatile multi-rail power IC. It features a primary high-voltage synchronous buck regulator, two secondary low-voltage synchronous buck regulators, and an LDO regulator. It also offers four overvoltage and undervoltage monitors, three power-good indicators, and a reset output/fault indicator. To limit common-cause failures, the ISL78083 also includes a second reference for the OV/UV monitors, independent from the regulators' reference.Features
- VIN operating range from 4.0V to 42V with a start range of 4.5V to 42V
- Fixed switching frequency of 2.2MHz with optional pseudo-random spread spectrum
- Three synchronous bucks with internal compensation and one LDO
- Buck1 output range of 3.3V to 5.05V
- Buck2 output range of 1.0V to 3.3V
- Buck3 output range of 1.0V to 3.3V
- LDO4 output range of 2.8V to 3.4V
- Output UV/OV thresholds, OTP of ±4%, ±6%, ±8%, ±12%
- OTP power up/down sequence and delay
- Optional output discharge on Buck2, Buck3, and LDO4
- Current at VIN input under shutdown of <1µA typical
- Protection features
- Input voltage UVLO
- Output OV/UV
- Positive and negative current limits on bucks
- Overcurrent protection on internal and output LDOs
- Fail-safe controller
- CRC of OTP registers
- OTP hiccup or latch-off fault response
Applications
- Rear and surround view HD automotive cameras
- Driver monitoring cameras
- HD dash cam
Block Diagram
ISL78083 Automotive PMIC
Đã phát hành: 2020-01-14
| Đã cập nhật: 2024-04-15
