Bosch BMP585 Shuttle Board 3.0
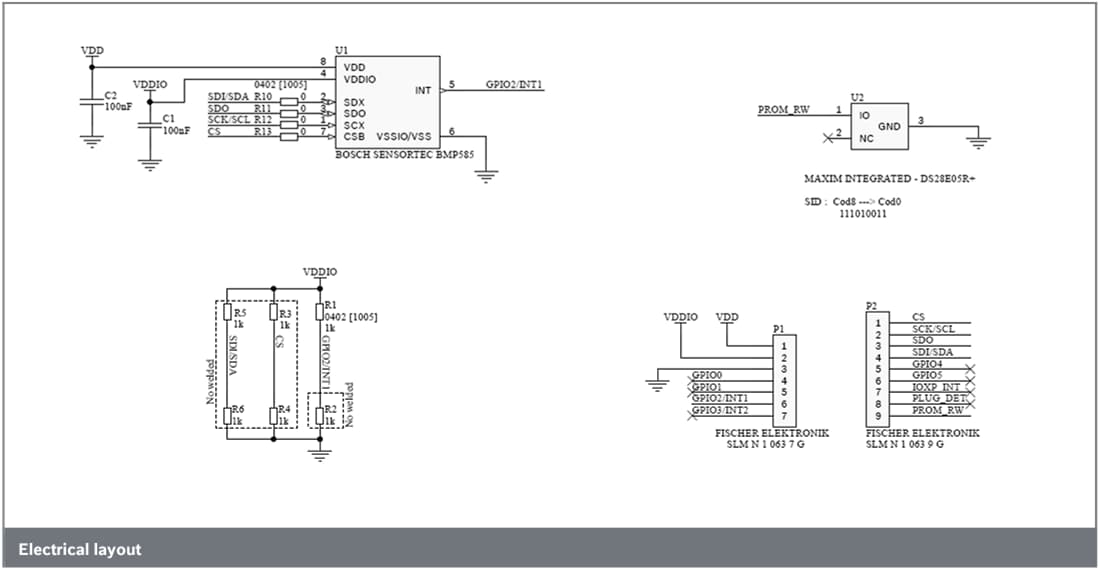
Bosch Sensortec BMP585 Shuttle Board 3.0 is a PCB with the pressure and temperature sensor (BMP585) mounted on it. In combination with the application board 3.0, the shuttle board can be used to evaluate various functionalities provided on the BMP585. The shuttle board allows easy access to the sensor pins via a simple socket and can be directly plugged into the Bosch Sensortec's application board 3.0.Electrical Layout
Board Dimensions
Đã phát hành: 2023-05-22
| Đã cập nhật: 2023-05-31
