STMicroelectronics STDRIVE102BH/H Triple Half-Bridge Gate Drivers

STMicroelectronics STDRIVE102BH/H Triple Half-Bridge Gate Drivers are designed for 3-phase brushless motor driving. Due to its very efficient standby mode, which strongly reduces the current consumption when the device is not active, the STDRIVE102BH/H is an ideal solution for battery-supplied motor driver applications such as power tools, vacuum cleaners, and small appliances.

The STDRIVE102BH/H features embedded protections, increasing the overall application robustness. The protections include undervoltage lockout (UVLO) on each supply (VCC, VDD, and charge pump voltage), thermal shutdown, and VDS monitoring on both high-side and low-side MOSFETs. If a protection is triggered, the nFAULT open-drain pin signals the event. The STMicro STDRIVE102BH has another dedicated open-drain pin (FLAG), demonstrating whether the gate driver supply VCC falls below the guard limit. The device integrates a smart shutdown operation that enables immediate turn-off of the outputs of the gate driver in the case of a fault by minimizing the propagation delay between the fault detection event and the actual output switch-off.

In addition to the main supply pin (VS), the STDRIVE102BH/H has a dedicated pin VM, which should be connected to the motor supply voltage in correspondence with the drains of the high-side N-channel MOSFETs. The VM pin is utilized for the integrated VDS monitoring and as a reference voltage for the charge pump. The VS and VM pins can operate at different voltages to increase the device's flexibility.

Features

  • Operating voltage from 6V to 50V
  • Gate drivers with programmable current capability up to:
    • 1A source current
    • 2A sink current
  • High robustness against below-ground and overshoot
  • Charge pump for 100% duty cycle operation with dedicated undervoltage lockout protection
  • Flexible power management:
    • 12V LDO linear regulator with dedicated undervoltage lockout protection
    • 3.3V LDO linear regulator with dedicated undervoltage lockout protection
  • Standby mode for low consumption of less than 50nA
  • Thermal shutdown protection
  • VDS monitoring for safe driving operation of the power MOSFETs
  • Flexible analog front-end:
    • Up to three wide-bandwidth operational amplifiers
    • Up to three high-speed comparators
  • Dual control modes:
    • ENx/INx
    • INHx/INLX with interlocking
  • Matched propagation delay for all channels
  • Logic inputs up to 5V, TTL-compatible

Applications

  • Battery-supplied power tools
  • Portable vacuum cleaners
  • E-bikes
  • Industrial automation
  • Robotics
  • Pumps and fans

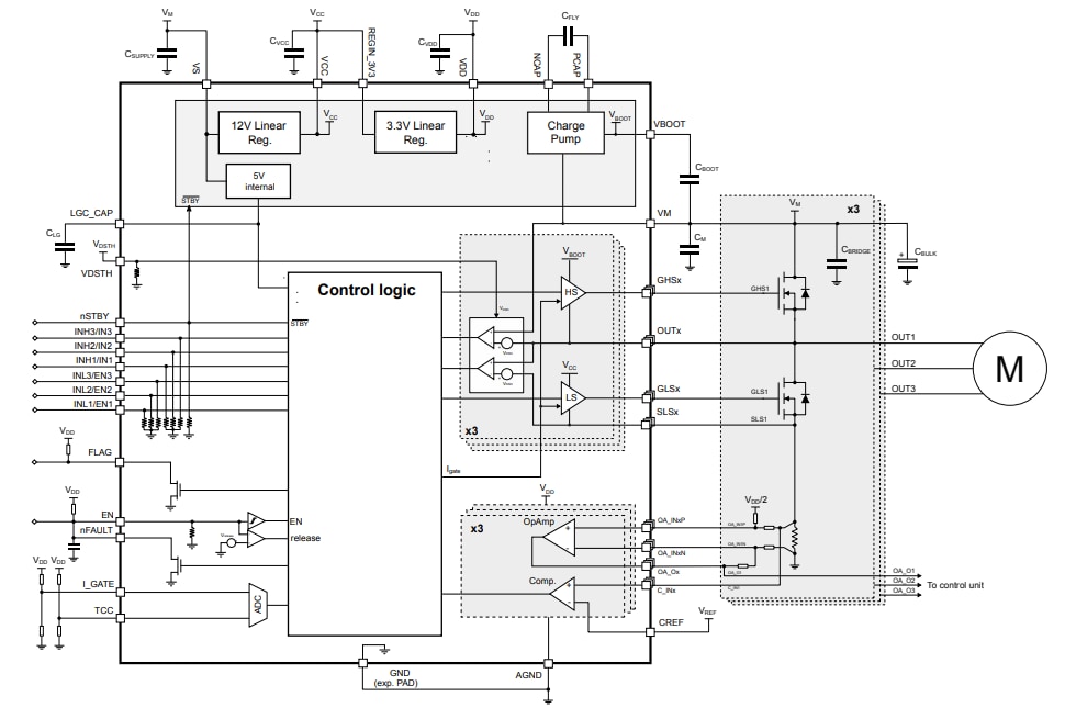
STDRIVE102BH Block Diagram

Block Diagram - STMicroelectronics STDRIVE102BH/H Triple Half-Bridge Gate Drivers

STDRIVE102H Block Diagram

Block Diagram - STMicroelectronics STDRIVE102BH/H Triple Half-Bridge Gate Drivers

Videos

Đã phát hành: 2025-04-17 | Đã cập nhật: 2025-08-27