Texas Instruments ADS127L18 24-Bit ADCs
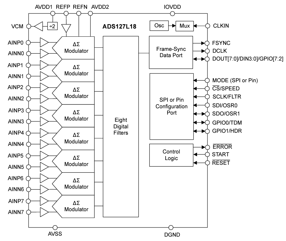
Texas Instruments ADS127L18 24-Bit Analog to Digital Converters (ADCs) are delta-sigma (ΔΣ) devices based on the single-channel ADS127L11. These devices provide a sampling of eight channels with data rates up to 512kSPS (wideband filter mode) and 1365kSPS (low-latency filter mode). The ADS127L18 ADCs operate at a 2.85V to 5.5V analog supply voltage range. These devices offer an excellent combination of AC performance and DC precision with low power consumption. The ADS127L18 ADCs are offered in identical 7mm x 7mm VQFN packages that permit drop-in expandability. These 24-bit devices operate over the -40°C to 125°C temperature range. The ADS127L18 ADCs are ideal for test and measurement, factory automation and control, aerospace and defense, medical, and grid infrastructure.Features
- Measures eight channels
- Up to 512kSPS wideband filter mode
- Up to 1365kSPS low-latency filter mode
- Power-scalable speed modes:
- 512kSPS maximum speed
- 165mW
- High-speed 400kSPS
- 128mW
- Mid-speed 200kSPS
- 74mW
- Low-speed 50kSPS
- 24mW
- 512kSPS maximum speed
- AC performance with DC precision (high-speed mode)
- Dynamic range at 200kSPS 112dB (typical)
- THD -118dB (typical)
- INL 1ppm of FSR (typical)
- Offset drift 10nV/°C (typical)
- Gain drift 0.5ppm/°C (typical)
- Precharge buffered signal inputs
- Programmable by pin setting or SPI
- Frame-sync port for output data
- Internal or external clock operation
- 2.85V to 5.5V analog supply voltage range
Applications
- Test and measurement:
- Data Acquisition (DAQ)
- Shock and vibration instruments
- Acoustics and dynamic strain gauges
- Factory automation and control:
- Condition monitoring
- Aerospace and defense:
- Sonar
- Medical:
- Electroencephalograms (EEG)
- Grid infrastructure:
- Power quality analyzers
Block Diagram
Application Diagram
Đã phát hành: 2025-01-15
| Đã cập nhật: 2025-04-10
