Texas Instruments bq25898C I2C Controlled Single Cell 3A Charger IC
Texas Instruments bq25898C I2C Controlled Single-Cell 3A Charger IC is a highly-integrated switch-mode battery charge management and system power path management device for a single cell Li-Ion and Li-polymer battery. The device supports high input voltage for charging. The low impedance power path optimizes switch-mode operation efficiency, reduces battery charging time, and extends battery life during discharging phase. The I2C serial interface with charging and system settings makes the Texas Instruments bq25898C a truly flexible solution.Features
- Operation as slave charger to provide fast charging in dual charger operation
- Simple configuration with minimum BOM
- High-efficiency 3A, 1.5MHz switch-mode buck charge
- 92% charge efficiency at 3A and 94% charge efficiency at 2A charge current
- Optimize for high-voltage input (9V/12V)
- Low-power PFM mode for light load operations
- Single input to support USB input and adjustable high voltage adapters
- Support 3.9V to 14V input voltage range
- Input current limit (100mA to 3.25A with 50mA resolution) to support USB2.0, USB3.0 standard, and high voltage adapters
- Wide input Dynamic Power Management (DPM) range
- Highest battery discharge efficiency with 5mΩ
- Default charge disabled
- Integrated ADC for system monitor (voltage, charge current)
- Flexible autonomous and I2C mode for optimal system performance
- Remote battery sensing
- High-integration includes all MOSFETs, current sensing, and loop compensation
- High-accuracy:
- ±0.5% charge voltage regulation
- ±5% charge current regulation
- ±7.5% input current regulation
- Safety:
- Thermal regulation and thermal shutdown
- Input UVLO/overvoltage protection
- Battery OVP
- Safety timer
Applications
- Smartphone
- Tablet PC
- Portable internet devices
Simplified Schematic Diagram
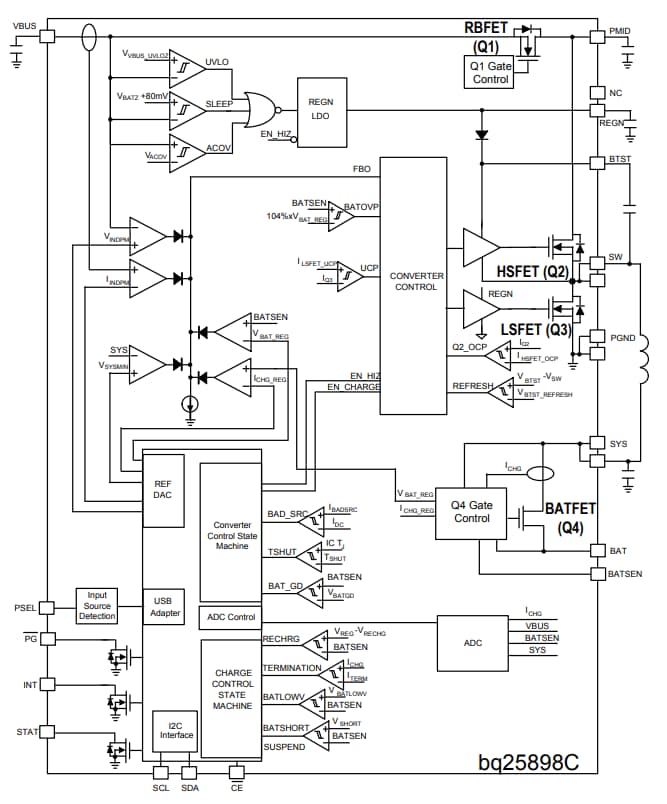
Block Diagram
Đã phát hành: 2016-05-23
| Đã cập nhật: 2022-03-11
